AOT echipamente de purificare a apei
Contextul tehnic
În prezent, odată cu dezvoltarea economică continuă, poluarea apei este din ce în ce mai gravă și din ce în ce mai multe substanțe chimice dăunătoare pentru organismul uman și hormoni de mediu. Metodele de tratare a apei utilizate frecvent - fizice, chimice, biologice, etc., sunt mai dificile de tratat și nu sunt complet. În timp ce oxidarea apei peroxidate sau a clorului este slabă. Cum se îmbunătățește un sistem de curățare integrat, ieftin și eficient din punct de vedere al consumului de energie devine o problemă tehnică urgentă.
Problema tehnică care trebuie rezolvată de acest echipament este, în general, furnizarea unui echipament de purificare a apei de proiectare rațională, ieftină, robustă și durabilă, sigură și fiabilă, simplă de operare, economisire de timp și efort, economisire de bani, structură compactă și ușor de utilizat; Problema tehnică rezolvată în detaliu și rezultatele obținute sunt descrise în detaliu în conținutul de mai jos și în combinația cu modalitățile de implementare specifice.
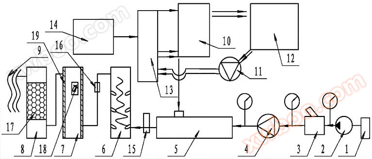
Pentru a rezolva problemele de mai sus, soluția tehnică adoptată de acest echipament este: echipamentul de purificare a corpului de apă AOT, inclusiv pompa de apă importată și conectată la apa de tratare, precum și jeterul, ieșirea pompei de apă conectată la intrarea jeterului, ieșirea jeterului de aer conectată la generatorul de ozon, ieșirea jeterului de gaze și lichide conectată la importul de jos al amestecătorului, ieșirea superioară a amestecătorului conectată la importul de jos al rezervorului de reacție fotocatalizator, ieșirea superioară a rezervorului de reacție fotocatalizator conectată la importul de jos al rezervorului de oxid catalizator, ieșirea superioară a rezervorului de oxid catalizator conectată la apa de după tratare;
În rezervorul de reacție cu fotocatalizator, există o lumină violetă scufundată în lichid și etanșată împotriva apei, stratul de dioxid de titan este setat pe peretele intern al rezervorului de reacție cu fotocatalizator, lumina violetă este luminată pe stratul de dioxid de titan, stratul de oxid de aluminiu este setat pe peretele intern al rezervorului de oxid de catalizator, stratul de oxid de aluminiu este o structură celuloasă.
Ca îmbunătățiri suplimentare ale programului tehnic menționat mai sus:
o pompă de suprapresiune este instalată între ieșirea de gaz și lichid a jeterului și intrarea inferioară a amestecorului; Setați o supapă în ordine între amestecător și rezervor de reacție fotocatalizator.
Include, de asemenea, rezervoare uscate la rece și oxigenatoare; Generatorul de oxigen este conectat la generatorul de ozon prin intermediul unui rezervor uscat la rece.
Refrigeratorul, rezervoarele uscate la rece și generatorul de ozon sunt conectate prin conducte.
Există o a doua supapă de debit între frigider și rezervor uscat la rece.
Prima supapă de debit este conectată între supapa de siguranță și jet.
La ieșirea de gaze și lichide a jeterului este setată o supapă unidirecțională.
Există o supapă de siguranță conectată între pompă și jet.
Axul cu spirală cu structură de ridicare în spirală este setat vertical în interiorul amestecătorului, iar pe peretele intern al amestecătorului este setat un fir de spirală cu aceeași direcție de rotație și aceeași distanță de spirală ca axul cu spirală.
Un proces de purificare a apei, cu ajutorul echipamentelor de purificare a apei menționate mai sus, care include următorii pași:
A: pas de amestecare a gazelor și lichidelor, apa care urmează să fie tratată intră în jet prin pompă, ozonul intră în jet prin generatorul de ozon, după amestecarea apei cu ozonul care urmează să fie tratată, jeterul va trimite amestecul de gaze și lichide prin supapă unidirecțională;
B: pas de purificare a ozonului, setarea presiunii supapei de reglare a ordinului și mai mare decât presiunea atmosferică, amestecul amestecului de gaze și lichide în interiorul amestecătorului și creșterea spiralei din interiorul canalului de spirală;
C: pas de curățare a fotocatalizatorului: secvență supapa de ieșire a lichidului în rezervorul de reacție a fotocatalizatorului, scufundat în lichid lumina violetă lumina strat de dioxid de titan, radiații ultraviolete cu dioxid de titan catalizat dublu lichid de curățare;
D: Lichidul care curge după pasul C intră în rezervorul de oxidare catalizată, prin purificarea catalizată a oxidului de aluminiu prin stratul celular și, în cele din urmă, apa este evacuată în apa de după tratare.
Efectele benefice ale utilizării acestor soluţii tehnice sunt:
Substanțele organice greu de degradat din apele reziduale reacționează rapid cu radicalii liberi hidroxi, polimerii macromoleculari reacționează ca compuși moleculari mici până la generarea de dioxid de carbon, ceea ce duce la reducerea rapidă a indicatorilor COD în apă sau îmbunătățirea rapidă a valorilor BOD / COD, îmbunătățind astfel capacitatea de biodegradare a apelor reziduale;
Oxidarea ionilor fosfor de valoare scăzută în apă în ionii fosfat de valoare ridicată, ionii fosfat de valoare ridicată se combină cu ionii calciu din apă pentru a forma precipitații de fosfat de calciu, reducând conținutul de fosfor în apă;
Datorită faptului că compușii polimerici sau proteinele care afectează indicatorii de amoniac și azot sunt oxidate de radicali liberi hidroxi, astfel încât indicatorii de amino sunt reduși;
Deoarece compușii cu sulf care provoacă mirosul rău sunt oxidați de radicalii liberi hidroxi, formând trioxid de sulf sau trioxid de sulf, dizolvați în apă formând sulfați sau sulfați, astfel încât corpul de apă să dezodoreze rapid;
Complexul sau chelatul din apa oxidată catalizată, radicalii liberi hidroxi și reacția ionilor de metale grele formează precipitații de hidroxidi de metale grele greu solubile, pentru a facilita recuperarea și separarea, favorizând eliminarea poluării cu metale grele din apă;
Radicalii liberi hidroxi pot ucide rapid algele, ciupercile, astfel încât apa să fie netoxică și inofensivă.
Efectele benefice ale acestui dispozitiv nu se limitează la această descriere și, pentru o mai bună înțelegere, sunt descrise mai detaliat în secțiunea Modalități de implementare specifice.
Descriere
Figura 1 este o schemă structurală a acestui dispozitiv.

1) apa care trebuie tratată; 2. pompă de apă; 3, supape de siguranță; 4, prima supapă de flux; 5. difuzorul; 6. amestecător; 7, rezervor de reacție fotocatalizator; 8, rezervoare de oxidare catalizatoare; 9. tratarea apei; 10. generatoare de ozon; 11, a doua valvă de flux; 12. mașini de răcire; 13. rezervoare uscate la rece; 14. producător de oxigen; 15. pompă de presiune; 16, supapa de ordine; 17, stratul de oxid de aluminiu; 18. lumină violetă; 19, stratul de dioxid de titan.
